The RODP Drum Gear Coupling is a type of ROD series coupling with a brake disc, suitable for transmission situations where braking needs to be used in conjunction with disc brakes.

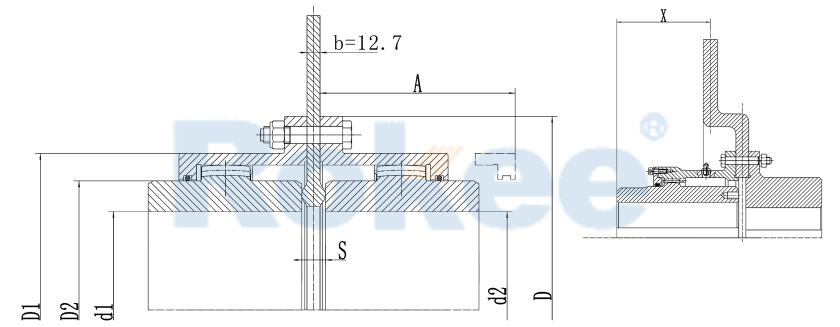
| Model | Rated Torque | Maximum Torque | Maximum Speed | Basic Size | Weight | Rotational Inertia | Grease | ||||||||
|---|---|---|---|---|---|---|---|---|---|---|---|---|---|---|---|
| Nm | Nm | 1/min | D | D1 | D2 | DP | d1-d2 | L1-L2 | S | A | X | Kg | J(Kgm2) | Kg | |
| RODP01 | 1900 | 3800 | 3200 3200 | 110 | 82 | 68 | 250 315 | 14-50 | 43 | 16 | 56 | 9 12 | 0.042 0.102 | 0.03 | |
| RODP02 | 3000 | 5940 | 3200 2850 2600 2200 | 140 | 104 | 85 | 315 355 400 450 | 17-62 | 50 | 16 | 62 | 15 18 20 23 | 0.112 0.171 0.252 0.397 | 0.06 | |
| RODP03 | 6200 | 12200 | 2600 2200 1900 1800 | 170 | 127 | 106 | 400 450 500 560 | 20-80 | 62 | 16 | 75 | 26 29 33 38 | 0.278 0.422 0.626 0.936 | 0.09 | |
| RODP04 | 9300 | 18400 | 2200 1900 1800 1600 | 210 | 155 | 132 | 450 500 560 630 | 26-98 | 76 | 18 | 90 | 41 44 49 56 | 0.490 0.696 1.000 1.60 | 0.12 | |
| RODP05 | 15400 | 31000 | 1900 1800 1600 1400 | 235 | 182 | 150 | 500 560 630 710 | 30-112 | 90 | 18 | 105 | 57 61 68 77 | 0.78 1.09 1.69 2.60 | 0.3 | |
| RODP06 | 25300 | 49600 | 1600 1400 1300 1200 | 270 | 210 | 175 | 560 630 710 800 | 35-133 | 105 | 19 | 120 | 89 98 108 133 | 1.56 1.90 2.85 4.32 | 0.4 | |
| RODP07 | 38600 | 76400 | 1600 1400 1300 1200 | 310 | 248 | 206 | 630 710 800 | 70-158 | 120 | 19 | 135 | 122 130 141 | 2.32 3.25 4.75 | 0.6 | |
| RODP08 | 48800 | 96500 | 1300 1200 | 338 | 275 | 235 | 710 800 | 85-174 | 135 | 21 | 158 | 158 170 | 3.70 5.20 | 0.8 | |
| RODP09 | 75300 | 147800 | 1200 1200 | 378 | 306 | 252 | 800 900 | 95-192 | 150 | 23 | 180 | 192 234 | 6.92 8.33 | 1.4 | |