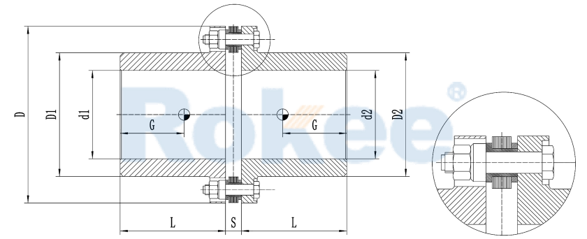
The RLM standard single section small metal diaphragm coupling is suitable for various industrial process pumps and small torque working situations with a working speed not exceeding 5000rpm, and cannot compensate for radial errors.

| Model | D | D1 | D2 | d1(max) | d2(max) | L | S | Maximum Allowable Speed | Nominal Torque | Maximum Instantaneous Torque |
|---|---|---|---|---|---|---|---|---|---|---|
| (mm) | (mm) | (mm) | (mm) | (mm) | (mm) | (mm) | n max(r/min) | T(N.m) | Tmax(N.m) | |
| RLM80-4 | 80 | 42 | 64.5 | 28 | 28 | 30 | 7.2 | 9800 | 40.5 | 220 |
| RLM92-4 | 92 | 54 | 73 | 38 | 38 | 45 | 7.2 | 8500 | 67 | 280 |
| RLM102-4 | 102 | 61 | 80 | 42 | 42 | 50 | 8.4 | 7500 | 150 | 450 |
| RLM120-4 | 120 | 78 | 98 | 55 | 55 | 65 | 9.5 | 6300 | 205 | 1050 |
| RLM130-4 | 130 | 88 | 108 | 60 | 60 | 75 | 10.7 | 5600 | 410 | 1200 |
| RLM145-4 | 145 | 98 | 120 | 70 | 70 | 85 | 11.1 | 5200 | 950 | 2200 |
| RLM178-4 | 178 | 114 | 145 | 75 | 75 | 90 | 13.6 | 4300 | 1450 | 3850 |
| RLM195-4 | 195 | 126 | 160.5 | 90 | 90 | 105 | 15.2 | 3800 | 2100 | 7100 |
| Model | Mass Point G | Angular Deviation | Axial Deviation | Intermediate Joint Sleeve H | Intermediate Sleeve Quality | Intermediate Sleeve Rotational Inertia | Quality | Torsional Stiffness | Rotational Inertia | |
| (mm) | (±△o) | (±△mm) | min(mm) | kg | Jh(Kg.m2) | (Kg) | Ct10E6(N.m/rad) | J(Kg.m2) | ||
| RLM80-4 | 38.1 | 0 | 0.9 | - | - | - | 2.12 | 0.021 | 0.011 | |
| RLM92-4 | 49.7 | 1 | - | - | - | 2.45 | 0.024 | 0.002 | ||
| RLM102-4 | 66.4 | 1.25 | - | - | - | 3.95 | 0.034 | 0.0035 | ||
| RLM120-4 | 66.8 | 1.4 | - | - | - | 5.8 | 0.035 | 0.0085 | ||
| RLM130-4 | 80 | 1.7 | - | - | - | 7.5 | 0.055 | 0.012 | ||
| RLM145-4 | 84.2 | 1.95 | - | - | - | 12.5 | 0.086 | 0.019 | ||
| RLM178-4 | 84.6 | 2.5 | - | - | - | 19.9 | 0.209 | 0.032 | ||
| RLM195-4 | 106.1 | 3 | - | - | - | 21.59 | 0.29 | 0.078 | ||