Rokee® is a well-known high-quality universal coupling joint supplier from china, learn more about universal coupling joints angle, pls contact Rokee technology. Rokee has been established in China since 1999, over the years, with excellent quality, we have been continuously providing many universal coupling joint products of various categories and uses complying with multiple standards and a full range of services, from the universal coupling joint selection to final installation and operation, for the industry fields of ferrous metallurgy, nuclear power, gas turbine, wind power, ropeway construction, lifting transportation, general equipment, etc.



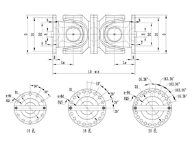
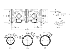
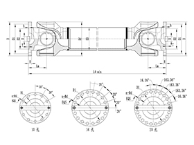
The universal coupling joint uses cross bearings to connect the flanges at both ends, which can transmit torque that is not on the same axis. The diagonal compensation can reach more than 25°, and the spline connection can compensate for the axial displacement in a large distance. With high carrying capacity and excellent transmission efficiency, universal coupling joint is widely used in modern industrial fields.
« Universal Coupling Joints Angle » Post Date: 2024/5/27
URL: //5008517517.com/en/blog/universal-coupling-joints-angle.html
Tags: Universal Coupling Joint ,




















